轴承专区
Bearings Center
312 NR轴承-SKF 312 NR轴承尺寸、图纸、价格
SKF 312 NR轴承
| 产品名称: | 312 NR轴承 | 品牌: | SKF |
|---|---|---|---|
| 类型: | SKF轴承 > 滚动轴承 > 深沟球轴承 | ||
| 描述: | 312 NR轴承是【SKF轴承 > 滚动轴承 > 深沟球轴承】的型号,主要用在燃汽轮机、印刷机械、提升机、轧钢机辊颈、破碎机、石油钻机转环、电机厂、精细化工机械、凿岩机械、数控设备等各大领域 | ||
电话/微信:138-8949-5179
SKF 312 NR轴承详细信息
312 NR轴承是【SKF轴承 > 滚动轴承 > 深沟球轴承】的型号,主要用在燃汽轮机、印刷机械、提升机、轧钢机辊颈、破碎机、石油钻机转环、电机厂、精细化工机械、凿岩机械、数控设备等各大领域。
SKF 312 NR轴承详细参数
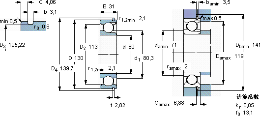
| 深沟球轴承, 单列,带装球缺口和止动环槽, 无密封件 | |||||||||||
| 主要数据尺寸 | 基本负荷额定值 | 疲劳负荷限值 | 额定速度 | 体积 | 型号 | ||||||
| 动态 | 静态 | 参照速度 | 限制速度 | 轴承,带止动环 | 止动环 | ||||||
| d | D | B | C | C0 | Pu | ||||||
| mm | kN | kN | r/min | kg | - | ||||||
| 60 | 130 | 31 | 91,3 | 78 | 3,35 | 9500 | 6000 | 1,85 | 312 NR | SP 130 | |
SKF 312 NR轴承尺寸图纸

