李工:138-8949-5179 刘工:135-0428-8802
型号查询
轴承型号   常见搜索: 6214轴承 2025轴承 688a轴承 6002轴承 6205轴承 6026轴承
型号查询 X

轴承专区

Bearings Center

NUP 2212 ECM *轴承-SKF NUP 2212 ECM *轴承尺寸、图纸、价格

SKF NUP 2212 ECM *轴承

产品名称:NUP 2212 ECM *轴承 品牌:SKF
类型:SKF轴承 > 滚动轴承 > 圆柱滚子轴承
描述:NUP 2212 ECM *轴承是【SKF轴承 > 滚动轴承 > 圆柱滚子轴承】的型号,主要用在电气装置部件、燃料喷射泵、中型及大型电动机、齿轮减速装置、振动筛、起重机吊钩、船舶用螺旋桨轴、陶瓷机械、专用车、伽玛等各大领域

 电话/微信:138-8949-5179

SKF NUP 2212 ECM *轴承详细信息

NUP 2212 ECM *轴承是【SKF轴承 > 滚动轴承 > 圆柱滚子轴承】的型号,主要用在电气装置部件、燃料喷射泵、中型及大型电动机、齿轮减速装置、振动筛、起重机吊钩、船舶用螺旋桨轴、陶瓷机械、专用车、伽玛等各大领域。

SKF NUP 2212 ECM *轴承详细参数

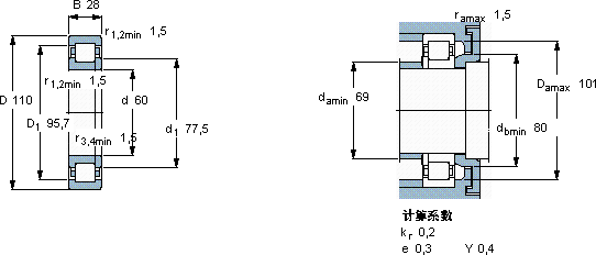
圆柱滚子轴承, 单列, NUP 设计
主要数据尺寸基本负荷额定值疲劳负荷限值额定速度体积型号适宜的斜挡圈
动态静态参照速度限制速度型号
dDBCC0Pu * - SKF Explorer 轴承
mmkNkNr/minkg--
601102814615320670075001,15NUP 2212 ECM *-

SKF NUP 2212 ECM *轴承尺寸图纸

李工:138-8949-5179

刘工:135-0428-8802

地址:辽宁省大连经济技术开发区现代城3栋-13-13号

在线客服系统