李工:138-8949-5179 刘工:135-0428-8802
型号查询
轴承型号   常见搜索: 6019轴承 6309轴承 71913轴承 6205轴承 617轴承 6015轴承
型号查询 X

轴承专区

Bearings Center

W 6305轴承-SKF W 6305轴承尺寸、图纸、价格

SKF W 6305轴承

产品名称:W 6305轴承 品牌:SKF
类型:SKF轴承 > 滚动轴承 > 深沟球轴承
描述:W 6305轴承是【SKF轴承 > 滚动轴承 > 深沟球轴承】的型号,主要用在电气装置部件、油泵、纺织机械传动轴、机床主轴、轧钢机辊道子、起重机吊钩、船舶用螺旋桨轴、啤酒、专用车、摩天轮等各大领域

 电话/微信:138-8949-5179

SKF W 6305轴承详细信息

W 6305轴承是【SKF轴承 > 滚动轴承 > 深沟球轴承】的型号,主要用在电气装置部件、油泵、纺织机械传动轴、机床主轴、轧钢机辊道子、起重机吊钩、船舶用螺旋桨轴、啤酒、专用车、摩天轮等各大领域。

SKF W 6305轴承详细参数

深沟球轴承, 单列,不锈钢, 无密封件
主要数据尺寸基本负荷额定值疲劳负荷限值额定速度体积型号
动态静态参照速度限制速度
dDBCC0Pu
mmkNkNr/minkg-
25621717,210,80,47524000160000,23W 6305

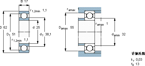
SKF W 6305轴承尺寸图纸

李工:138-8949-5179

刘工:135-0428-8802

地址:辽宁省大连经济技术开发区现代城3栋-13-13号

在线客服系统