李工:138-8949-5179 刘工:135-0428-8802
型号查询
轴承型号   常见搜索: 6205轴承 688a轴承 22222轴承 6013轴承 6003轴承 6008轴承
型号查询 X

轴承专区

Bearings Center

NUP 220 ECP *轴承-SKF NUP 220 ECP *轴承尺寸、图纸、价格

SKF NUP 220 ECP *轴承

产品名称:NUP 220 ECP *轴承 品牌:SKF
类型:SKF轴承 > 滚动轴承 > 圆柱滚子轴承
描述:NUP 220 ECP *轴承是【SKF轴承 > 滚动轴承 > 圆柱滚子轴承】的型号,主要用在农业机械、机床主轴、桥式起重机、汽车、铁路车辆车轴、汽车转向销、钢铁厂、烟草机械、土方机械、太阳能发电设备等各大领域

 电话/微信:138-8949-5179

SKF NUP 220 ECP *轴承详细信息

NUP 220 ECP *轴承是【SKF轴承 > 滚动轴承 > 圆柱滚子轴承】的型号,主要用在农业机械、机床主轴、桥式起重机、汽车、铁路车辆车轴、汽车转向销、钢铁厂、烟草机械、土方机械、太阳能发电设备等各大领域。

SKF NUP 220 ECP *轴承详细参数

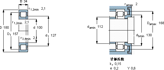
圆柱滚子轴承, 单列, NUP 设计
主要数据尺寸基本负荷额定值疲劳负荷限值额定速度体积型号适宜的斜挡圈
动态静态参照速度限制速度型号
dDBCC0Pu * - SKF Explorer 轴承
mmkNkNr/minkg--
1001803428530536,5400045003,60NUP 220 ECP *-

SKF NUP 220 ECP *轴承尺寸图纸

李工:138-8949-5179

刘工:135-0428-8802

地址:辽宁省大连经济技术开发区现代城3栋-13-13号

在线客服系统