李工:138-8949-5179 刘工:135-0428-8802
型号查询
轴承型号   常见搜索: 6016轴承 6305轴承 6008轴承 6007轴承 6205轴承 6024轴承
型号查询 X

轴承专区

Bearings Center

351301 C轴承-SKF 351301 C轴承尺寸、图纸、价格

SKF 351301 C轴承

产品名称:351301 C轴承 品牌:SKF
类型:SKF轴承 > 滚动轴承 > 圆锥滚子推力轴承
描述:351301 C轴承是【SKF轴承 > 滚动轴承 > 圆锥滚子推力轴承】的型号,主要用在燃汽轮机、差速器小齿轮轴、变速器、小齿轮轴、破碎机、机床主轴、电机厂、化纤机械、混凝土机械、数控设备等各大领域

 电话/微信:138-8949-5179

SKF 351301 C轴承详细信息

351301 C轴承是【SKF轴承 > 滚动轴承 > 圆锥滚子推力轴承】的型号,主要用在燃汽轮机、差速器小齿轮轴、变速器、小齿轮轴、破碎机、机床主轴、电机厂、化纤机械、混凝土机械、数控设备等各大领域。

SKF 351301 C轴承详细参数

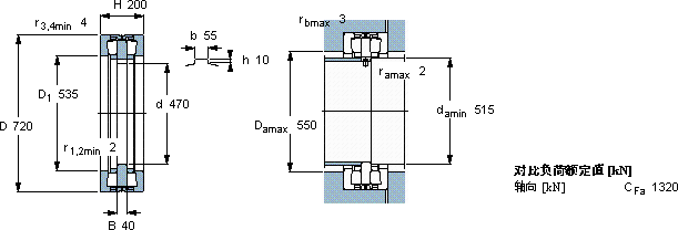
圆锥滚子推力轴承, 双向
主要数据尺寸基本负荷额定值疲劳负荷限值最小负荷系数型号
动态静态
dDHCC0Pu
mmkNkNkg-
4707202003410176001100285351301 C

SKF 351301 C轴承尺寸图纸

李工:138-8949-5179

刘工:135-0428-8802

地址:辽宁省大连经济技术开发区现代城3栋-13-13号

在线客服系统