李工:138-8949-5179 刘工:135-0428-8802
型号查询
轴承型号   常见搜索: 6022轴承 32313轴承 6032轴承 6017轴承 6010轴承 6205轴承
型号查询 X

轴承专区

Bearings Center

2 x 7304 BECBM *轴承-SKF 2 x 7304 BECBM *轴承尺寸、图纸、价格

SKF 2 x 7304 BECBM *轴承

产品名称:2 x 7304 BECBM *轴承 品牌:SKF
类型:SKF轴承 > 滚动轴承 > 角接触球轴承
描述:2 x 7304 BECBM *轴承是【SKF轴承 > 滚动轴承 > 角接触球轴承】的型号,主要用在装卸搬运机械、差速器小齿轮轴、发电机、小齿轮轴、破碎机、机床主轴、矿山、陶瓷机械、混凝土机械、风力发电设备等各大领域

 电话/微信:138-8949-5179

SKF 2 x 7304 BECBM *轴承详细信息

2 x 7304 BECBM *轴承是【SKF轴承 > 滚动轴承 > 角接触球轴承】的型号,主要用在装卸搬运机械、差速器小齿轮轴、发电机、小齿轮轴、破碎机、机床主轴、矿山、陶瓷机械、混凝土机械、风力发电设备等各大领域。

SKF 2 x 7304 BECBM *轴承详细参数

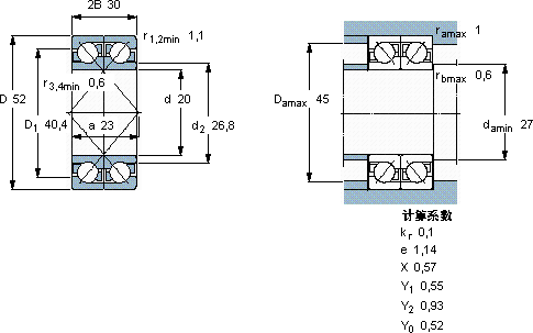
角接触球轴承, 单列,用于配对安装, 面对面配对
主要数据尺寸基本负荷额定值疲劳负荷限值额定速度体积型号轴承配对
动态静态参照速度限制速度
dD2BCC0Pu * - SKF Explorer 轴承
mmkNkNr/minkg--
20523030,5200,8514000180000,302 × 7304 BECBM *DF

SKF 2 x 7304 BECBM *轴承尺寸图纸

李工:138-8949-5179

刘工:135-0428-8802

地址:辽宁省大连经济技术开发区现代城3栋-13-13号

在线客服系统