轴承专区
Bearings Center
NKIB 5901轴承-SKF NKIB 5901轴承尺寸、图纸、价格
SKF NKIB 5901轴承
| 产品名称: | NKIB 5901轴承 | 品牌: | SKF |
|---|---|---|---|
| 类型: | SKF轴承 > 滚动轴承 > 组合滚针轴承 | ||
| 描述: | NKIB 5901轴承是【SKF轴承 > 滚动轴承 > 组合滚针轴承】的型号,主要用在燃汽轮机、离心分离机、发电机、变速器、破碎机、石油钻机转环、电机厂、饮料设备、轻工机械、抓钢机等各大领域 | ||
电话/微信:138-8949-5179
SKF NKIB 5901轴承详细信息
NKIB 5901轴承是【SKF轴承 > 滚动轴承 > 组合滚针轴承】的型号,主要用在燃汽轮机、离心分离机、发电机、变速器、破碎机、石油钻机转环、电机厂、饮料设备、轻工机械、抓钢机等各大领域。
SKF NKIB 5901轴承详细参数
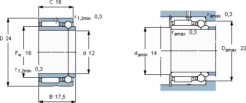
| 组合式滚针轴承, 滚针/角接触球轴承, 轴向负荷 双向 | |||||||||||||
| 主要数据尺寸 | 基本负荷额定值 | 疲劳负荷限值 | 额定速度 | 体积 | 型号 | ||||||||
| 径向 | 轴向 | 参照速度 | 限制速度 | ||||||||||
| 动态 | 静态 | 动态 | 静态 | 径向 | 轴向 | ||||||||
| d | D | B | C | C0 | C | C0 | Pu | Pu | |||||
| mm | kN | kN | r/min | kg | - | ||||||||
| 12 | 24 | 17,5 | 8,25 | 10 | 2,07 | 1,92 | 1,14 | 0,083 | 22000 | 26000 | 0,043 | NKIB 5901 | |
SKF NKIB 5901轴承尺寸图纸

