李工:138-8949-5179 刘工:135-0428-8802
型号查询
轴承型号   常见搜索: 71913轴承 32313轴承 6205轴承 6026轴承 22222轴承 6028轴承
型号查询 X

轴承专区

Bearings Center

22238 CCK/W33 + H 3138 *轴承-SKF 22238 CCK/W33 + H 3138 *轴承尺寸、图纸、价格

SKF 22238 CCK/W33 + H 3138 *轴承

产品名称:22238 CCK/W33 + H 3138 *轴承 品牌:SKF
类型:SKF轴承 > 滚动轴承 > 球面滚子轴承
描述:22238 CCK/W33 + H 3138 *轴承是【SKF轴承 > 滚动轴承 > 球面滚子轴承】的型号,主要用在各种产业机械、高频马达、汽车发动机、前轮、各类产业用减速机、机床主轴、发电厂、陶瓷机械、挖掘机、冶金起重机等各大领域

 电话/微信:138-8949-5179

SKF 22238 CCK/W33 + H 3138 *轴承详细信息

22238 CCK/W33 + H 3138 *轴承是【SKF轴承 > 滚动轴承 > 球面滚子轴承】的型号,主要用在各种产业机械、高频马达、汽车发动机、前轮、各类产业用减速机、机床主轴、发电厂、陶瓷机械、挖掘机、冶金起重机等各大领域。

SKF 22238 CCK/W33 + H 3138 *轴承详细参数

球面滚子轴承, 带紧定套的
主要数据尺寸基本负荷额定值疲劳负荷限值额定速度体积型号
动态静态参照速度限制速度轴承 + 紧定套
d1DBCC0Pu
* - SKF Explorer 轴承
mmkNkNr/minkg-
17034092127017001501700240046,022238 CCK/W33 + H 3138 *

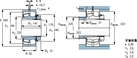
SKF 22238 CCK/W33 + H 3138 *轴承尺寸图纸

李工:138-8949-5179

刘工:135-0428-8802

地址:辽宁省大连经济技术开发区现代城3栋-13-13号

在线客服系统