李工:138-8949-5179 刘工:135-0428-8802
型号查询
轴承型号   常见搜索: 6022轴承 2025轴承 688a轴承 6015轴承 6017轴承 6909轴承
型号查询 X

轴承专区

Bearings Center

NJ 408 MA轴承-SKF NJ 408 MA轴承尺寸、图纸、价格

SKF NJ 408 MA轴承

产品名称:NJ 408 MA轴承 品牌:SKF
类型:SKF轴承 > 滚动轴承 > 圆柱滚子轴承
描述:NJ 408 MA轴承是【SKF轴承 > 滚动轴承 > 圆柱滚子轴承】的型号,主要用在飞机喷气式发动机、小型汽车前轮、桥式起重机、差速器、造纸机械、耕耘机、燃机、精细化工机械、平地机、厨具设备等各大领域

 电话/微信:138-8949-5179

SKF NJ 408 MA轴承详细信息

NJ 408 MA轴承是【SKF轴承 > 滚动轴承 > 圆柱滚子轴承】的型号,主要用在飞机喷气式发动机、小型汽车前轮、桥式起重机、差速器、造纸机械、耕耘机、燃机、精细化工机械、平地机、厨具设备等各大领域。

SKF NJ 408 MA轴承详细参数

圆柱滚子轴承, 单列, NJ 设计
主要数据尺寸基本负荷额定值疲劳负荷限值额定速度体积型号适宜的斜挡圈
动态静态参照速度限制速度型号
dDBCC0Pu
mmkNkNr/minkg--
401102796,89011,87000110001,45NJ 408 MA-

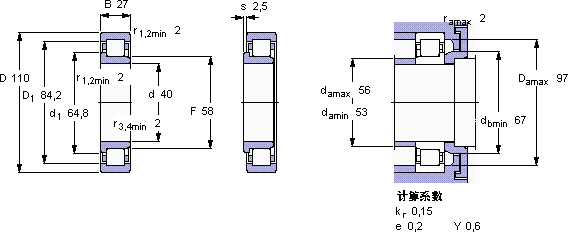
SKF NJ 408 MA轴承尺寸图纸

李工:138-8949-5179

刘工:135-0428-8802

地址:辽宁省大连经济技术开发区现代城3栋-13-13号

在线客服系统