李工:138-8949-5179 刘工:135-0428-8802
型号查询
轴承型号   常见搜索: 6005轴承 6909轴承 1轴承 6309轴承 2025轴承 6022轴承
型号查询 X

轴承专区

Bearings Center

7316 BEGAY轴承-SKF 7316 BEGAY轴承尺寸、图纸、价格

SKF 7316 BEGAY轴承

产品名称:7316 BEGAY轴承 品牌:SKF
类型:SKF轴承 > 滚动轴承 > 角接触球轴承
描述:7316 BEGAY轴承是【SKF轴承 > 滚动轴承 > 角接触球轴承】的型号,主要用在电气装置部件、小型汽车前轮、纺织机械传动轴、差速器、轧钢机辊道子、耕耘机、船舶用螺旋桨轴、玩具、地基处理机械、伽玛等各大领域

 电话/微信:138-8949-5179

SKF 7316 BEGAY轴承详细信息

7316 BEGAY轴承是【SKF轴承 > 滚动轴承 > 角接触球轴承】的型号,主要用在电气装置部件、小型汽车前轮、纺织机械传动轴、差速器、轧钢机辊道子、耕耘机、船舶用螺旋桨轴、玩具、地基处理机械、伽玛等各大领域。

SKF 7316 BEGAY轴承详细参数

角接触球轴承, 单列
主要数据尺寸尺寸 [英寸]疲劳负荷限值额定速度体积型号
动态静态参照速度限制速度
dDBCC0Pu
mmkNkNr/minkg-
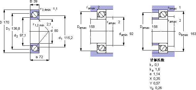
80170391431184,5450045003,707316 BEGAY

SKF 7316 BEGAY轴承尺寸图纸

李工:138-8949-5179

刘工:135-0428-8802

地址:辽宁省大连经济技术开发区现代城3栋-13-13号

在线客服系统