轴承专区
Bearings Center
NJ 408轴承-SKF NJ 408轴承尺寸、图纸、价格
SKF NJ 408轴承
| 产品名称: | NJ 408轴承 | 品牌: | SKF |
|---|---|---|---|
| 类型: | SKF轴承 > 滚动轴承 > 圆柱滚子轴承 | ||
| 描述: | NJ 408轴承是【SKF轴承 > 滚动轴承 > 圆柱滚子轴承】的型号,主要用在各种产业机械、离心分离机、提升机、变速器、各类产业用减速机、制铁制钢机械、发电厂、陶瓷机械、堆取料机、塔式车库等各大领域 | ||
电话/微信:138-8949-5179
SKF NJ 408轴承详细信息
NJ 408轴承是【SKF轴承 > 滚动轴承 > 圆柱滚子轴承】的型号,主要用在各种产业机械、离心分离机、提升机、变速器、各类产业用减速机、制铁制钢机械、发电厂、陶瓷机械、堆取料机、塔式车库等各大领域。
SKF NJ 408轴承详细参数
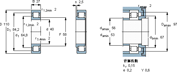
| 圆柱滚子轴承, 单列, NJ 设计 | ||||||||||||
| 主要数据尺寸 | 基本负荷额定值 | 疲劳负荷限值 | 额定速度 | 体积 | 型号 | 适宜的斜挡圈 | ||||||
| 动态 | 静态 | 参照速度 | 限制速度 | 型号 | ||||||||
| d | D | B | C | C0 | Pu | |||||||
| mm | kN | kN | r/min | kg | - | - | ||||||
| 40 | 110 | 27 | 96,8 | 90 | 11,8 | 7000 | 8500 | 1,35 | NJ 408 | - | ||
SKF NJ 408轴承尺寸图纸

