轴承专区
Bearings Center
NJ 2868 ECMA轴承-SKF NJ 2868 ECMA轴承尺寸、图纸、价格
SKF NJ 2868 ECMA轴承
| 产品名称: | NJ 2868 ECMA轴承 | 品牌: | SKF |
|---|---|---|---|
| 类型: | SKF轴承 > 滚动轴承 > 圆柱滚子轴承 | ||
| 描述: | NJ 2868 ECMA轴承是【SKF轴承 > 滚动轴承 > 圆柱滚子轴承】的型号,主要用在变速器、离心分离机、汽车发动机、变速器、轧钢机齿轮箱座、制铁制钢机械、立式电动机、医药设备、起重机械、机械手等各大领域 | ||
电话/微信:138-8949-5179
SKF NJ 2868 ECMA轴承详细信息
NJ 2868 ECMA轴承是【SKF轴承 > 滚动轴承 > 圆柱滚子轴承】的型号,主要用在变速器、离心分离机、汽车发动机、变速器、轧钢机齿轮箱座、制铁制钢机械、立式电动机、医药设备、起重机械、机械手等各大领域。
SKF NJ 2868 ECMA轴承详细参数
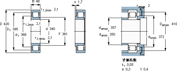
| 圆柱滚子轴承, 单列, NJ 设计 | ||||||||||||
| 主要数据尺寸 | 基本负荷额定值 | 疲劳负荷限值 | 额定速度 | 体积 | 型号 | 适宜的斜挡圈 | ||||||
| 动态 | 静态 | 参照速度 | 限制速度 | 型号 | ||||||||
| d | D | B | C | C0 | Pu | |||||||
| mm | kN | kN | r/min | kg | - | - | ||||||
| 340 | 420 | 48 | 512 | 1120 | 98 | 1500 | 2000 | 15,0 | NJ 2868 ECMA | - | ||
SKF NJ 2868 ECMA轴承尺寸图纸

