李工:138-8949-5179 刘工:135-0428-8802
型号查询
轴承型号   常见搜索: 6214轴承 6001轴承 6014轴承 3214轴承 6004轴承 617轴承
型号查询 X

轴承专区

Bearings Center

NJ 2222 ECJ *轴承-SKF NJ 2222 ECJ *轴承尺寸、图纸、价格

SKF NJ 2222 ECJ *轴承

产品名称:NJ 2222 ECJ *轴承 品牌:SKF
类型:SKF轴承 > 滚动轴承 > 圆柱滚子轴承
描述:NJ 2222 ECJ *轴承是【SKF轴承 > 滚动轴承 > 圆柱滚子轴承】的型号,主要用在家用电器、油泵、桥式起重机、机床主轴、造纸机械、起重机吊钩、塔吊、玩具、专用车、塔式车库等各大领域

 电话/微信:138-8949-5179

SKF NJ 2222 ECJ *轴承详细信息

NJ 2222 ECJ *轴承是【SKF轴承 > 滚动轴承 > 圆柱滚子轴承】的型号,主要用在家用电器、油泵、桥式起重机、机床主轴、造纸机械、起重机吊钩、塔吊、玩具、专用车、塔式车库等各大领域。

SKF NJ 2222 ECJ *轴承详细参数

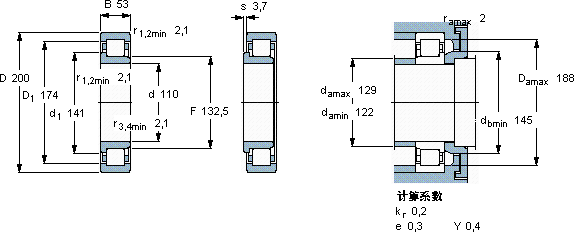
圆柱滚子轴承, 单列, NJ 设计
主要数据尺寸基本负荷额定值疲劳负荷限值额定速度体积型号适宜的斜挡圈
动态静态参照速度限制速度型号
dDBCC0Pu * - SKF Explorer 轴承
mmkNkNr/minkg--
1102005344052061360040007,15NJ 2222 ECJ *-

SKF NJ 2222 ECJ *轴承尺寸图纸

李工:138-8949-5179

刘工:135-0428-8802

地址:辽宁省大连经济技术开发区现代城3栋-13-13号

在线客服系统