李工:138-8949-5179 刘工:135-0428-8802
型号查询
轴承型号   常见搜索: 6003轴承 2026轴承 6011轴承 6030轴承 6018轴承 6032轴承
型号查询 X

轴承专区

Bearings Center

QJ 312 MA *轴承-SKF QJ 312 MA *轴承尺寸、图纸、价格

SKF QJ 312 MA *轴承

产品名称:QJ 312 MA *轴承 品牌:SKF
类型:SKF轴承 > 滚动轴承 > 角接触球轴承
描述:QJ 312 MA *轴承是【SKF轴承 > 滚动轴承 > 角接触球轴承】的型号,主要用在农业机械、燃料喷射泵、燃汽轮机、齿轮减速装置、铁路车辆车轴、石油钻机、钢铁厂、烟草机械、给料机械、机场加油机等各大领域

 电话/微信:138-8949-5179

SKF QJ 312 MA *轴承详细信息

QJ 312 MA *轴承是【SKF轴承 > 滚动轴承 > 角接触球轴承】的型号,主要用在农业机械、燃料喷射泵、燃汽轮机、齿轮减速装置、铁路车辆车轴、石油钻机、钢铁厂、烟草机械、给料机械、机场加油机等各大领域。

SKF QJ 312 MA *轴承详细参数

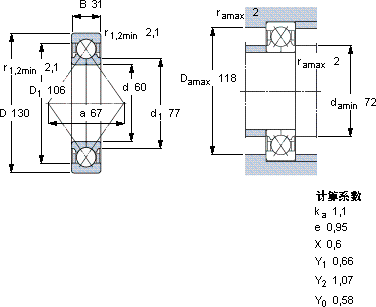
角接触球轴承, 四点接触球轴承
主要数据尺寸基本负荷额定值疲劳负荷限值额定速度体积型号
动态静态参照速度限制速度
dDBCC0Pu * - SKF Explorer 轴承
mmkNkNr/minkg-
60130311561375,85670090002,15QJ 312 MA *

SKF QJ 312 MA *轴承尺寸图纸

李工:138-8949-5179

刘工:135-0428-8802

地址:辽宁省大连经济技术开发区现代城3栋-13-13号

在线客服系统