李工:138-8949-5179 刘工:135-0428-8802
型号查询
轴承型号   常见搜索: 6011轴承 6015轴承 6022轴承 6001轴承 6214轴承 6013轴承
型号查询 X

轴承专区

Bearings Center

NUP 215 ECML *轴承-SKF NUP 215 ECML *轴承尺寸、图纸、价格

SKF NUP 215 ECML *轴承

产品名称:NUP 215 ECML *轴承 品牌:SKF
类型:SKF轴承 > 滚动轴承 > 圆柱滚子轴承
描述:NUP 215 ECML *轴承是【SKF轴承 > 滚动轴承 > 圆柱滚子轴承】的型号,主要用在后轮、小型汽车前轮、提升机、差速器、轧钢机辊道子、汽车转向销、水力发电机、塑料、掘进机、泥炮等各大领域

 电话/微信:138-8949-5179

SKF NUP 215 ECML *轴承详细信息

NUP 215 ECML *轴承是【SKF轴承 > 滚动轴承 > 圆柱滚子轴承】的型号,主要用在后轮、小型汽车前轮、提升机、差速器、轧钢机辊道子、汽车转向销、水力发电机、塑料、掘进机、泥炮等各大领域。

SKF NUP 215 ECML *轴承详细参数

圆柱滚子轴承, 单列, NUP 设计
主要数据尺寸基本负荷额定值疲劳负荷限值额定速度体积型号适宜的斜挡圈
动态静态参照速度限制速度型号
dDBCC0Pu * - SKF Explorer 轴承
mmkNkNr/minkg--
751302515015620,4560095001,30NUP 215 ECML *-

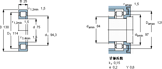
SKF NUP 215 ECML *轴承尺寸图纸

李工:138-8949-5179

刘工:135-0428-8802

地址:辽宁省大连经济技术开发区现代城3栋-13-13号

在线客服系统