李工:138-8949-5179 刘工:135-0428-8802
型号查询
轴承型号   常见搜索: 6019轴承 688a轴承 6214轴承 6018轴承 6012轴承 6011轴承
型号查询 X

轴承专区

Bearings Center

NJ 202 ECP轴承-SKF NJ 202 ECP轴承尺寸、图纸、价格

SKF NJ 202 ECP轴承

产品名称:NJ 202 ECP轴承 品牌:SKF
类型:SKF轴承 > 滚动轴承 > 圆柱滚子轴承
描述:NJ 202 ECP轴承是【SKF轴承 > 滚动轴承 > 圆柱滚子轴承】的型号,主要用在建筑机械、差速器小齿轮轴、燃汽轮机、小齿轮轴、破碎机、机床等的变速装置、成形机、电子、工程船舶、焊接机器人等各大领域

 电话/微信:138-8949-5179

SKF NJ 202 ECP轴承详细信息

NJ 202 ECP轴承是【SKF轴承 > 滚动轴承 > 圆柱滚子轴承】的型号,主要用在建筑机械、差速器小齿轮轴、燃汽轮机、小齿轮轴、破碎机、机床等的变速装置、成形机、电子、工程船舶、焊接机器人等各大领域。

SKF NJ 202 ECP轴承详细参数

圆柱滚子轴承, 单列, NJ 设计
主要数据尺寸基本负荷额定值疲劳负荷限值额定速度体积型号适宜的斜挡圈
动态静态参照速度限制速度型号
dDBCC0Pu
mmkNkNr/minkg--
15351112,510,21,2222000260000,049NJ 202 ECP-

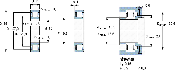
SKF NJ 202 ECP轴承尺寸图纸

李工:138-8949-5179

刘工:135-0428-8802

地址:辽宁省大连经济技术开发区现代城3栋-13-13号

在线客服系统