轴承专区
Bearings Center
HMVC 80E轴承-SKF HMVC 80E轴承尺寸、图纸、价格
SKF HMVC 80E轴承
| 产品名称: | HMVC 80E轴承 | 品牌: | SKF |
|---|---|---|---|
| 类型: | SKF轴承 > 滚动轴承 > 轴承附件 | ||
| 描述: | HMVC 80E轴承是【SKF轴承 > 滚动轴承 > 轴承附件】的型号,主要用在内燃机、空气压缩机、中型及大型电动机、大型农业机械、振动筛、汽车转向销、挤压机、陶瓷机械、掘进机、数控设备等各大领域 | ||
电话/微信:138-8949-5179
SKF HMVC 80E轴承详细信息
HMVC 80E轴承是【SKF轴承 > 滚动轴承 > 轴承附件】的型号,主要用在内燃机、空气压缩机、中型及大型电动机、大型农业机械、振动筛、汽车转向销、挤压机、陶瓷机械、掘进机、数控设备等各大领域。
SKF HMVC 80E轴承详细参数
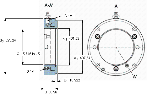
| Hydraulic nuts, inch sizes | ||||||||||||
| 螺纹尺寸 | 尺寸 | Permitted | Piston area | 体积 | 型号 | |||||||
| piston | ||||||||||||
| G | d1 | d2 | d3 | B | B1 | displacement | ||||||
| mm | mm (metric sizes) | mm | mm | mm2 (metric sizes) | kg | - | ||||||
| in - threads/in (inch sizes) | in2 (inch sizes) | |||||||||||
| 396,875 | 15.745 in - 5 | 401,32 | 497,84 | 523,24 | 60,96 | 10,922 | 17,018 | 56,9 | 100 | HMVC 80E | - | |
SKF HMVC 80E轴承尺寸图纸

