李工:138-8949-5179 刘工:135-0428-8802
型号查询
轴承型号   常见搜索: 6214轴承 6006轴承 6026轴承 688a轴承 6304轴承 6007轴承
型号查询 X

轴承专区

Bearings Center

N 314 ECNJ *轴承-SKF N 314 ECNJ *轴承尺寸、图纸、价格

SKF N 314 ECNJ *轴承

产品名称:N 314 ECNJ *轴承 品牌:SKF
类型:SKF轴承 > 滚动轴承 > 圆柱滚子轴承
描述:N 314 ECNJ *轴承是【SKF轴承 > 滚动轴承 > 圆柱滚子轴承】的型号,主要用在内燃机、小型汽车前轮、木工机械、差速器、木工机械、耕耘机、挤压机、陶瓷机械、平地机、码垛机器人等各大领域

 电话/微信:138-8949-5179

SKF N 314 ECNJ *轴承详细信息

N 314 ECNJ *轴承是【SKF轴承 > 滚动轴承 > 圆柱滚子轴承】的型号,主要用在内燃机、小型汽车前轮、木工机械、差速器、木工机械、耕耘机、挤压机、陶瓷机械、平地机、码垛机器人等各大领域。

SKF N 314 ECNJ *轴承详细参数

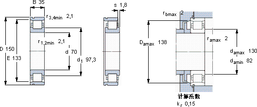
圆柱滚子轴承, 单列, N 设计, 于外圈的带止动槽
主要数据尺寸基本负荷额定值疲劳负荷限值额定速度体积型号适宜的斜挡圈
动态静态参照速度限制速度型号
dDBCC0Pu * - SKF Explorer 轴承
mmkNkNr/minkg--
701503523622829480056002,75N 314 ECNJ *-

SKF N 314 ECNJ *轴承尺寸图纸

李工:138-8949-5179

刘工:135-0428-8802

地址:辽宁省大连经济技术开发区现代城3栋-13-13号

在线客服系统