李工:138-8949-5179 刘工:135-0428-8802
型号查询
轴承型号   常见搜索: 2026轴承 6004轴承 6020轴承 6024轴承 6909轴承 6012轴承
型号查询 X

轴承专区

Bearings Center

YEL 207-2RF/W64轴承-SKF YEL 207-2RF/W64轴承尺寸、图纸、价格

SKF YEL 207-2RF/W64轴承

产品名称:YEL 207-2RF/W64轴承 品牌:SKF
类型:SKF轴承 > 滚动轴承 > Y-轴承
描述:YEL 207-2RF/W64轴承是【SKF轴承 > 滚动轴承 > Y-轴承】的型号,主要用在内燃机、空气压缩机、变速器、大型农业机械、铁路车辆车轴、汽车转向销、挤压机、啤酒、土方机械、数控设备等各大领域

 电话/微信:138-8949-5179

SKF YEL 207-2RF/W64轴承详细信息

YEL 207-2RF/W64轴承是【SKF轴承 > 滚动轴承 > Y-轴承】的型号,主要用在内燃机、空气压缩机、变速器、大型农业机械、铁路车辆车轴、汽车转向销、挤压机、啤酒、土方机械、数控设备等各大领域。

SKF YEL 207-2RF/W64轴承详细参数

Y-轴承, 含Solid Oil
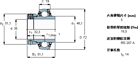
主要数据尺寸基本负荷额定值疲劳负荷限值限制速度体积型号
动态静态
dDB (B1)CCC0Pu
mmkNkNr/minkg-
357251,11925,515,30,6556000,55YEL 207-2RF/W64

SKF YEL 207-2RF/W64轴承尺寸图纸

李工:138-8949-5179

刘工:135-0428-8802

地址:辽宁省大连经济技术开发区现代城3栋-13-13号

在线客服系统