李工:138-8949-5179 刘工:135-0428-8802
型号查询
轴承型号   常见搜索: 6900轴承 6007轴承 6028轴承 6309轴承 6019轴承 6015轴承
型号查询 X

轴承专区

Bearings Center

208-ZNR轴承-SKF 208-ZNR轴承尺寸、图纸、价格

SKF 208-ZNR轴承

产品名称:208-ZNR轴承 品牌:SKF
类型:SKF轴承 > 滚动轴承 > 深沟球轴承
描述:208-ZNR轴承是【SKF轴承 > 滚动轴承 > 深沟球轴承】的型号,主要用在电气装置部件、燃料喷射泵、桥式起重机、齿轮减速装置、造纸机械、起重机吊钩、船舶用螺旋桨轴、洗染、专用车、伽玛等各大领域

 电话/微信:138-8949-5179

SKF 208-ZNR轴承详细信息

208-ZNR轴承是【SKF轴承 > 滚动轴承 > 深沟球轴承】的型号,主要用在电气装置部件、燃料喷射泵、桥式起重机、齿轮减速装置、造纸机械、起重机吊钩、船舶用螺旋桨轴、洗染、专用车、伽玛等各大领域。

SKF 208-ZNR轴承详细参数

深沟球轴承, 单列,带装球缺口和止动环槽, 单面防尘罩
主要数据尺寸基本负荷额定值疲劳负荷限值额定速度体积型号
动态静态参照速度限制速度轴承,带止动环止动环
dDBCC0Pu
mmkNkNr/minkg-
40801833,626,51,121500095000,39208-ZNRSP 80

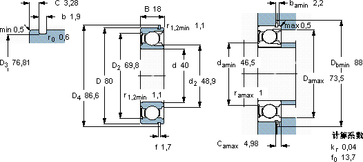
SKF 208-ZNR轴承尺寸图纸

李工:138-8949-5179

刘工:135-0428-8802

地址:辽宁省大连经济技术开发区现代城3栋-13-13号

在线客服系统