李工:138-8949-5179 刘工:135-0428-8802
型号查询
轴承型号   常见搜索: 6009轴承 3214轴承 6309轴承 6304轴承 6005轴承 *轴承
型号查询 X

轴承专区

Bearings Center

LL 687949/910轴承-SKF LL 687949/910轴承尺寸、图纸、价格

SKF LL 687949/910轴承

产品名称:LL 687949/910轴承 品牌:SKF
类型:SKF轴承 > 滚动轴承 > 圆锥滚子轴承
描述:LL 687949/910轴承是【SKF轴承 > 滚动轴承 > 圆锥滚子轴承】的型号,主要用在电气装置部件、油泵、中型及大型电动机、机床主轴、造纸机械、石油钻机、船舶用螺旋桨轴、纺织、解体机、摩天轮等各大领域

 电话/微信:138-8949-5179

SKF LL 687949/910轴承详细信息

LL 687949/910轴承是【SKF轴承 > 滚动轴承 > 圆锥滚子轴承】的型号,主要用在电气装置部件、油泵、中型及大型电动机、机床主轴、造纸机械、石油钻机、船舶用螺旋桨轴、纺织、解体机、摩天轮等各大领域。

SKF LL 687949/910轴承详细参数

圆锥滚子轴承, 单列, 英制轴承
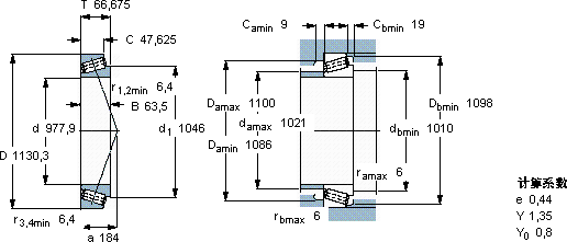
主要数据尺寸基本负荷额定值疲劳负荷限值额定速度体积型号
动态静态参照速度限制速度
dDTCC0Pu
mmkNkNr/minkg-
977,91130,366,67514504400285260380100LL 687949/910

SKF LL 687949/910轴承尺寸图纸

李工:138-8949-5179

刘工:135-0428-8802

地址:辽宁省大连经济技术开发区现代城3栋-13-13号

在线客服系统