李工:138-8949-5179 刘工:135-0428-8802
型号查询
轴承型号   常见搜索: 6015轴承 6012轴承 6304轴承 6309轴承 22222轴承 71913轴承
型号查询 X

轴承专区

Bearings Center

70/850 AMB轴承-SKF 70/850 AMB轴承尺寸、图纸、价格

SKF 70/850 AMB轴承

产品名称:70/850 AMB轴承 品牌:SKF
类型:SKF轴承 > 滚动轴承 > 角接触球轴承
描述:70/850 AMB轴承是【SKF轴承 > 滚动轴承 > 角接触球轴承】的型号,主要用在燃汽轮机、印刷机械、中型及大型电动机、轧钢机辊颈、各类产业用减速机、石油钻机转环、电机厂、塑料、凿岩机械、数控设备等各大领域

 电话/微信:138-8949-5179

SKF 70/850 AMB轴承详细信息

70/850 AMB轴承是【SKF轴承 > 滚动轴承 > 角接触球轴承】的型号,主要用在燃汽轮机、印刷机械、中型及大型电动机、轧钢机辊颈、各类产业用减速机、石油钻机转环、电机厂、塑料、凿岩机械、数控设备等各大领域。

SKF 70/850 AMB轴承详细参数

角接触球轴承, 单列
主要数据尺寸尺寸 [英寸]疲劳负荷限值额定速度体积型号
动态静态参照速度限制速度
dDBCC0Pu
mmkNkNr/minkg-
8501220165153046506145048059570/850 AMB

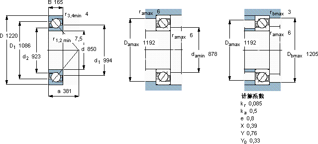
SKF 70/850 AMB轴承尺寸图纸

李工:138-8949-5179

刘工:135-0428-8802

地址:辽宁省大连经济技术开发区现代城3栋-13-13号

在线客服系统