轴承专区
Bearings Center
KMT 36轴承-SKF KMT 36轴承尺寸、图纸、价格
SKF KMT 36轴承
| 产品名称: | KMT 36轴承 | 品牌: | SKF |
|---|---|---|---|
| 类型: | SKF轴承 > 滚动轴承 > 轴承附件 | ||
| 描述: | KMT 36轴承是【SKF轴承 > 滚动轴承 > 轴承附件】的型号,主要用在通用电动机、高频马达、燃汽轮机、前轮、减速装置、机床等的变速装置、轧钢机轧制螺杆用减速机、薄膜拉伸、压路机、机场加油机等各大领域 | ||
电话/微信:138-8949-5179
SKF KMT 36轴承详细信息
KMT 36轴承是【SKF轴承 > 滚动轴承 > 轴承附件】的型号,主要用在通用电动机、高频马达、燃汽轮机、前轮、减速装置、机床等的变速装置、轧钢机轧制螺杆用减速机、薄膜拉伸、压路机、机场加油机等各大领域。
SKF KMT 36轴承详细参数
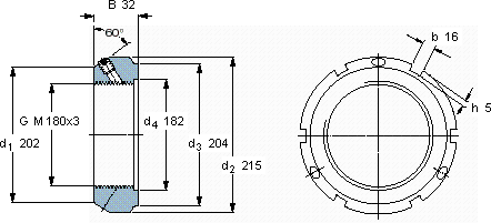
| 带锁紧销的KMT精密锁紧定螺母 | ||||||||||
| 螺纹尺寸 | 尺寸 | 轴向负荷 | 体积 | 型号 | 平头螺钉 | |||||
| 承载能力 | 锁定螺母 | 适宜的板手 | 尺寸 | 推荐的紧固扭矩 | ||||||
| d3 | B | G | 静态 | |||||||
| - | mm | - | kN | kg | - | - | - | Nm | ||
| 180 | 204 | 32 | M 180x3 | 1220 | 2,30 | KMT 36 | TMFN 30-40 | M 10 | 35 | |
SKF KMT 36轴承尺寸图纸

