李工:138-8949-5179 刘工:135-0428-8802
型号查询
轴承型号   常见搜索: 6005轴承 688a轴承 6004轴承 6001轴承 6007轴承 6003轴承
型号查询 X

轴承专区

Bearings Center

7222 BECBM轴承-SKF 7222 BECBM轴承尺寸、图纸、价格

SKF 7222 BECBM轴承

产品名称:7222 BECBM轴承 品牌:SKF
类型:SKF轴承 > 滚动轴承 > 角接触球轴承
描述:7222 BECBM轴承是【SKF轴承 > 滚动轴承 > 角接触球轴承】的型号,主要用在燃汽轮机、离心分离机、减速装置、变速器、各类产业用减速机、制铁制钢机械、电机厂、医药设备、起重机械、抓钢机等各大领域

 电话/微信:138-8949-5179

SKF 7222 BECBM轴承详细信息

7222 BECBM轴承是【SKF轴承 > 滚动轴承 > 角接触球轴承】的型号,主要用在燃汽轮机、离心分离机、减速装置、变速器、各类产业用减速机、制铁制钢机械、电机厂、医药设备、起重机械、抓钢机等各大领域。

SKF 7222 BECBM轴承详细参数

角接触球轴承, 单列
主要数据尺寸尺寸 [英寸]疲劳负荷限值额定速度体积型号
动态静态参照速度限制速度
dDBCC0Pu
mmkNkNr/minkg-
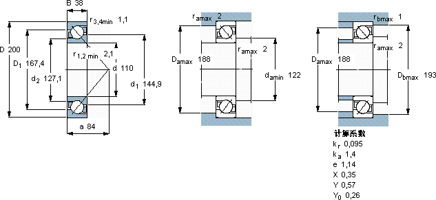
110200381531434,9360038004,957222 BECBM

SKF 7222 BECBM轴承尺寸图纸

李工:138-8949-5179

刘工:135-0428-8802

地址:辽宁省大连经济技术开发区现代城3栋-13-13号

在线客服系统