李工:138-8949-5179 刘工:135-0428-8802
型号查询
轴承型号   常见搜索: 71913轴承 6028轴承 6012轴承 2026轴承 6006轴承 6214轴承
型号查询 X

轴承专区

Bearings Center

2 x 7222 BEGAF轴承-SKF 2 x 7222 BEGAF轴承尺寸、图纸、价格

SKF 2 x 7222 BEGAF轴承

产品名称:2 x 7222 BEGAF轴承 品牌:SKF
类型:SKF轴承 > 滚动轴承 > 角接触球轴承
描述:2 x 7222 BEGAF轴承是【SKF轴承 > 滚动轴承 > 角接触球轴承】的型号,主要用在铁路车辆、机床主轴、纺织机械传动轴、汽车、造纸机械、汽车转向销、冶炼厂、制鞋、掘进机、机械手等各大领域

 电话/微信:138-8949-5179

SKF 2 x 7222 BEGAF轴承详细信息

2 x 7222 BEGAF轴承是【SKF轴承 > 滚动轴承 > 角接触球轴承】的型号,主要用在铁路车辆、机床主轴、纺织机械传动轴、汽车、造纸机械、汽车转向销、冶炼厂、制鞋、掘进机、机械手等各大领域。

SKF 2 x 7222 BEGAF轴承详细参数

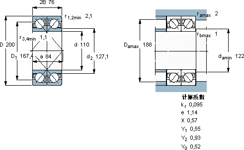
角接触球轴承, 单列,用于配对安装, 面对面配对
主要数据尺寸基本负荷额定值疲劳负荷限值额定速度体积型号轴承配对
动态静态参照速度限制速度
dD2BCC0Pu
mmkNkNr/minkg--
110200762512909,8280036009,902 × 7222 BEGAFDF

SKF 2 x 7222 BEGAF轴承尺寸图纸

李工:138-8949-5179

刘工:135-0428-8802

地址:辽宁省大连经济技术开发区现代城3栋-13-13号

在线客服系统