李工:138-8949-5179 刘工:135-0428-8802
型号查询
轴承型号   常见搜索: 6017轴承 6028轴承 23136轴承 6030轴承 1轴承 6006轴承
型号查询 X

轴承专区

Bearings Center

HMVC 60E轴承-SKF HMVC 60E轴承尺寸、图纸、价格

SKF HMVC 60E轴承

产品名称:HMVC 60E轴承 品牌:SKF
类型:SKF轴承 > 滚动轴承 > 轴承附件
描述:HMVC 60E轴承是【SKF轴承 > 滚动轴承 > 轴承附件】的型号,主要用在通用电动机、离心分离机、桥式起重机、变速器、各类产业用减速机、石油钻机转环、轧钢机轧制螺杆用减速机、陶瓷机械、凿岩机械、太阳能发电设备等各大领域

 电话/微信:138-8949-5179

SKF HMVC 60E轴承详细信息

HMVC 60E轴承是【SKF轴承 > 滚动轴承 > 轴承附件】的型号,主要用在通用电动机、离心分离机、桥式起重机、变速器、各类产业用减速机、石油钻机转环、轧钢机轧制螺杆用减速机、陶瓷机械、凿岩机械、太阳能发电设备等各大领域。

SKF HMVC 60E轴承详细参数

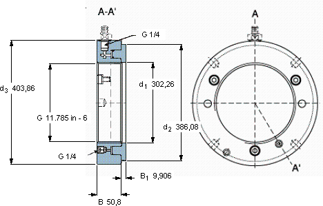
Hydraulic nuts, inch sizes
螺纹尺寸尺寸PermittedPiston area体积型号
piston
Gd1d2d3BB1displacement
mmmm (metric sizes)mmmmmm2 (metric sizes)kg-
in - threads/in (inch sizes)in2 (inch sizes)
296,58811.785 in - 6302,26386,08403,8650,89,90613,9736,656,2HMVC 60E-

SKF HMVC 60E轴承尺寸图纸

李工:138-8949-5179

刘工:135-0428-8802

地址:辽宁省大连经济技术开发区现代城3栋-13-13号

在线客服系统