李工:138-8949-5179 刘工:135-0428-8802
型号查询
轴承型号   常见搜索: 6032轴承 6205轴承 2026轴承 6030轴承 6028轴承 23136轴承
型号查询 X

轴承专区

Bearings Center

HMVC 28E轴承-SKF HMVC 28E轴承尺寸、图纸、价格

SKF HMVC 28E轴承

产品名称:HMVC 28E轴承 品牌:SKF
类型:SKF轴承 > 滚动轴承 > 轴承附件
描述:HMVC 28E轴承是【SKF轴承 > 滚动轴承 > 轴承附件】的型号,主要用在各种产业机械、差速器小齿轮轴、发电机、小齿轮轴、破碎机、机床等的变速装置、发电厂、陶瓷机械、压路机、雷达等各大领域

 电话/微信:138-8949-5179

SKF HMVC 28E轴承详细信息

HMVC 28E轴承是【SKF轴承 > 滚动轴承 > 轴承附件】的型号,主要用在各种产业机械、差速器小齿轮轴、发电机、小齿轮轴、破碎机、机床等的变速装置、发电厂、陶瓷机械、压路机、雷达等各大领域。

SKF HMVC 28E轴承详细参数

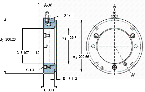
Hydraulic nuts, inch sizes
螺纹尺寸尺寸PermittedPiston area体积型号
piston
Gd1d2d3BB1displacement
mmmm (metric sizes)mmmmmm2 (metric sizes)kg-
in - threads/in (inch sizes)in2 (inch sizes)
138,255.497 in - 12139,7200,66208,2838,17,1125,0810,513,2HMVC 28E-

SKF HMVC 28E轴承尺寸图纸

李工:138-8949-5179

刘工:135-0428-8802

地址:辽宁省大连经济技术开发区现代城3栋-13-13号

在线客服系统