李工:138-8949-5179 刘工:135-0428-8802
型号查询
轴承型号   常见搜索: 6305轴承 688a轴承 2026轴承 6304轴承 6018轴承 6309轴承
型号查询 X

轴承专区

Bearings Center

HMV 29E轴承-SKF HMV 29E轴承尺寸、图纸、价格

SKF HMV 29E轴承

产品名称:HMV 29E轴承 品牌:SKF
类型:SKF轴承 > 滚动轴承 > 轴承附件
描述:HMV 29E轴承是【SKF轴承 > 滚动轴承 > 轴承附件】的型号,主要用在燃汽轮机、罗茨鼓风机、减速装置、建筑机械、印刷机械、石油钻机转环、电机厂、塑料、凿岩机械、码垛机器人等各大领域

 电话/微信:138-8949-5179

SKF HMV 29E轴承详细信息

HMV 29E轴承是【SKF轴承 > 滚动轴承 > 轴承附件】的型号,主要用在燃汽轮机、罗茨鼓风机、减速装置、建筑机械、印刷机械、石油钻机转环、电机厂、塑料、凿岩机械、码垛机器人等各大领域。

SKF HMV 29E轴承详细参数

Hydraulic nuts, metric sizes
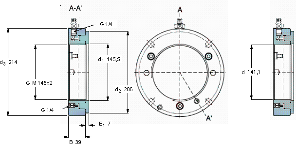
螺纹尺寸尺寸PermittedPiston area体积型号
piston
Gd1d2d3BB1displacement
mmmm (metric sizes)mmmmmm2 (metric sizes)kg-
in - threads/in (inch sizes)in2 (inch sizes)
145M 145x2145,5206214397573006,50HMV 29EHMV 29E/A101

SKF HMV 29E轴承尺寸图纸

李工:138-8949-5179

刘工:135-0428-8802

地址:辽宁省大连经济技术开发区现代城3栋-13-13号

在线客服系统