轴承专区
Bearings Center
626/HR11QN轴承-SKF 626/HR11QN轴承尺寸、图纸、价格
SKF 626/HR11QN轴承
| 产品名称: | 626/HR11QN轴承 | 品牌: | SKF |
|---|---|---|---|
| 类型: | SKF轴承 > 滚动轴承 > 工程产品 | ||
| 描述: | 626/HR11QN轴承是【SKF轴承 > 滚动轴承 > 工程产品】的型号,主要用在内燃机、燃汽轮机、提升机、后轮、振动筛、起重机吊钩、挤压机、饮料设备、强夯机、数控设备等各大领域 | ||
电话/微信:138-8949-5179
SKF 626/HR11QN轴承详细信息
626/HR11QN轴承是【SKF轴承 > 滚动轴承 > 工程产品】的型号,主要用在内燃机、燃汽轮机、提升机、后轮、振动筛、起重机吊钩、挤压机、饮料设备、强夯机、数控设备等各大领域。
SKF 626/HR11QN轴承详细参数
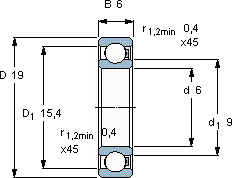
| 聚合物球轴承,单列球轴承, POM/POM/glass/PA66 | ||||||||
| 主要数据尺寸 | 负荷能力 | 额定速度 | 体积 | 型号 | ||||
| d | D | B | 动态1) | 静态2) | 最大3) | 最大 | - | |
| 1) above 50 °C and/or above 20 % | 3) Consider load carrying | |||||||
| of max speed rating consider | capability reduction according | |||||||
| 2) above 50 °C consider | ||||||||
| mm | kN | r/min | kg | - | ||||
| 6 | 19 | 6 | 0,07 | 0,05 | 2600 | 0,0028 | 626/HR11QN | |
SKF 626/HR11QN轴承尺寸图纸

