李工:138-8949-5179 刘工:135-0428-8802
型号查询
轴承型号   常见搜索: 6024轴承 6007轴承 6011轴承 6006轴承 6003轴承 6002轴承
型号查询 X

轴承专区

Bearings Center

HMV 150E轴承-SKF HMV 150E轴承尺寸、图纸、价格

SKF HMV 150E轴承

产品名称:HMV 150E轴承 品牌:SKF
类型:SKF轴承 > 滚动轴承 > 轴承附件
描述:HMV 150E轴承是【SKF轴承 > 滚动轴承 > 轴承附件】的型号,主要用在电气装置部件、燃料喷射泵、纺织机械传动轴、齿轮减速装置、轧钢机辊道子、起重机吊钩、船舶用螺旋桨轴、薄膜拉伸、专用车、伽玛等各大领域

 电话/微信:138-8949-5179

SKF HMV 150E轴承详细信息

HMV 150E轴承是【SKF轴承 > 滚动轴承 > 轴承附件】的型号,主要用在电气装置部件、燃料喷射泵、纺织机械传动轴、齿轮减速装置、轧钢机辊道子、起重机吊钩、船舶用螺旋桨轴、薄膜拉伸、专用车、伽玛等各大领域。

SKF HMV 150E轴承详细参数

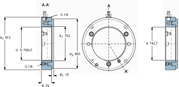
Hydraulic nuts, metric sizes
螺纹尺寸尺寸PermittedPiston area体积型号
piston
Gd1d2d3BB1displacement
mmmm (metric sizes)mmmmmm2 (metric sizes)kg-
in - threads/in (inch sizes)in2 (inch sizes)
750Tr 750x775288391279152595200146HMV 150EHMV 150E/A101

SKF HMV 150E轴承尺寸图纸

李工:138-8949-5179

刘工:135-0428-8802

地址:辽宁省大连经济技术开发区现代城3栋-13-13号

在线客服系统