李工:138-8949-5179 刘工:135-0428-8802
型号查询
轴承型号   常见搜索: 688a轴承 6024轴承 6005轴承 6030轴承 6020轴承 6309轴承
型号查询 X

轴承专区

Bearings Center

7411 BGM轴承-SKF 7411 BGM轴承尺寸、图纸、价格

SKF 7411 BGM轴承

产品名称:7411 BGM轴承 品牌:SKF
类型:SKF轴承 > 滚动轴承 > 角接触球轴承
描述:7411 BGM轴承是【SKF轴承 > 滚动轴承 > 角接触球轴承】的型号,主要用在各种产业机械、罗茨鼓风机、纺织机械传动轴、建筑机械、印刷机械、石油钻机转环、发电厂、电子、凿岩机械、冶金起重机等各大领域

 电话/微信:138-8949-5179

SKF 7411 BGM轴承详细信息

7411 BGM轴承是【SKF轴承 > 滚动轴承 > 角接触球轴承】的型号,主要用在各种产业机械、罗茨鼓风机、纺织机械传动轴、建筑机械、印刷机械、石油钻机转环、发电厂、电子、凿岩机械、冶金起重机等各大领域。

SKF 7411 BGM轴承详细参数

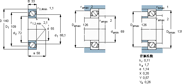
角接触球轴承, 单列
主要数据尺寸尺寸 [英寸]疲劳负荷限值额定速度体积型号
动态静态参照速度限制速度
dDBCC0Pu
mmkNkNr/minkg-
551403311176,53,25600063002,757411 BGM

SKF 7411 BGM轴承尺寸图纸

李工:138-8949-5179

刘工:135-0428-8802

地址:辽宁省大连经济技术开发区现代城3栋-13-13号

在线客服系统