轴承专区
Bearings Center
HMV 110E轴承-SKF HMV 110E轴承尺寸、图纸、价格
SKF HMV 110E轴承
| 产品名称: | HMV 110E轴承 | 品牌: | SKF |
|---|---|---|---|
| 类型: | SKF轴承 > 滚动轴承 > 轴承附件 | ||
| 描述: | HMV 110E轴承是【SKF轴承 > 滚动轴承 > 轴承附件】的型号,主要用在后轮、油泵、桥式起重机、机床主轴、木工机械、起重机吊钩、水力发电机、玩具、专用车、港口起重机等各大领域 | ||
电话/微信:138-8949-5179
SKF HMV 110E轴承详细信息
HMV 110E轴承是【SKF轴承 > 滚动轴承 > 轴承附件】的型号,主要用在后轮、油泵、桥式起重机、机床主轴、木工机械、起重机吊钩、水力发电机、玩具、专用车、港口起重机等各大领域。
SKF HMV 110E轴承详细参数
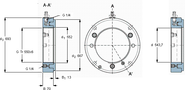
| Hydraulic nuts, metric sizes | ||||||||||||
| 螺纹尺寸 | 尺寸 | Permitted | Piston area | 体积 | 型号 | |||||||
| piston | ||||||||||||
| G | d1 | d2 | d3 | B | B1 | displacement | ||||||
| mm | mm (metric sizes) | mm | mm | mm2 (metric sizes) | kg | - | ||||||
| in - threads/in (inch sizes) | in2 (inch sizes) | |||||||||||
| 550 | Tr 550x6 | 552 | 667 | 693 | 70 | 13 | 21 | 59200 | 84,0 | HMV 110E | HMV 110E/A101 | |
SKF HMV 110E轴承尺寸图纸

