李工:138-8949-5179 刘工:135-0428-8802
型号查询
轴承型号   常见搜索: 6024轴承 6014轴承 6003轴承 6011轴承 6004轴承 23136轴承
型号查询 X

轴承专区

Bearings Center

22216 EK + AH 316 *轴承-SKF 22216 EK + AH 316 *轴承尺寸、图纸、价格

SKF 22216 EK + AH 316 *轴承

产品名称:22216 EK + AH 316 *轴承 品牌:SKF
类型:SKF轴承 > 滚动轴承 > 球面滚子轴承
描述:22216 EK + AH 316 *轴承是【SKF轴承 > 滚动轴承 > 球面滚子轴承】的型号,主要用在通用电动机、离心分离机、挖土机履带轮、变速器、破碎机、制铁制钢机械、轧钢机轧制螺杆用减速机、洗染、堆取料机、太阳能发电设备等各大领域

 电话/微信:138-8949-5179

SKF 22216 EK + AH 316 *轴承详细信息

22216 EK + AH 316 *轴承是【SKF轴承 > 滚动轴承 > 球面滚子轴承】的型号,主要用在通用电动机、离心分离机、挖土机履带轮、变速器、破碎机、制铁制钢机械、轧钢机轧制螺杆用减速机、洗染、堆取料机、太阳能发电设备等各大领域。

SKF 22216 EK + AH 316 *轴承详细参数

球面滚子轴承, 带退卸套的
主要数据尺寸基本负荷额定值疲劳负荷限值额定速度体积型号
动态静态参照速度限制速度轴承 +退卸套
d1DBCC0Pu
* - SKF Explorer 轴承
mmkNkNr/minkg-
751403323627029430060002,4022216 EK + AH 316 *

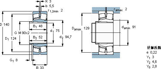
SKF 22216 EK + AH 316 *轴承尺寸图纸

李工:138-8949-5179

刘工:135-0428-8802

地址:辽宁省大连经济技术开发区现代城3栋-13-13号

在线客服系统