李工:138-8949-5179 刘工:135-0428-8802
型号查询
轴承型号   常见搜索: 6002轴承 22222轴承 6006轴承 6020轴承 6008轴承 6032轴承
型号查询 X

轴承专区

Bearings Center

FYR 3.7/16 H-18轴承-SKF FYR 3.7/16 H-18轴承尺寸、图纸、价格

SKF FYR 3.7/16 H-18轴承

产品名称:FYR 3.7/16 H-18轴承 品牌:SKF
类型:SKF轴承 > 轴承单元 > 法兰滚子轴承单元
描述:FYR 3.7/16 H-18轴承是【SKF轴承 > 轴承单元 > 法兰滚子轴承单元】的型号,主要用在变速器、各类变速器、提升机、铁路车辆、破碎机、机床等的变速装置、立式电动机、啤酒、压路机、机械手等各大领域

 电话/微信:138-8949-5179

SKF FYR 3.7/16 H-18轴承详细信息

FYR 3.7/16 H-18轴承是【SKF轴承 > 轴承单元 > 法兰滚子轴承单元】的型号,主要用在变速器、各类变速器、提升机、铁路车辆、破碎机、机床等的变速装置、立式电动机、啤酒、压路机、机械手等各大领域。

SKF FYR 3.7/16 H-18轴承详细参数

带法兰的滚子轴承单元, 锁定套,用于英制的轴, locating units, labyrinth seals
尺寸尺寸 [英寸]限制速度质量型号轴承,基本型号
动态静态
daA1JLTCC0
mmkNr/minkg--
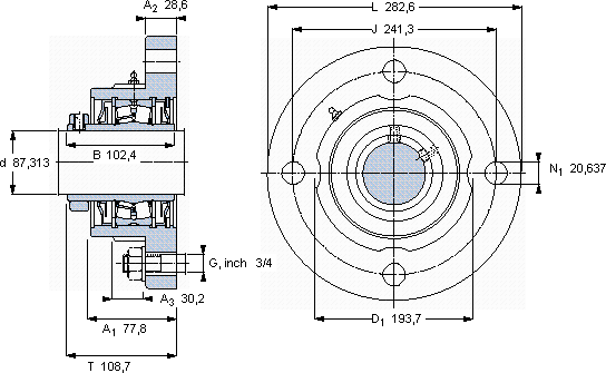
87,31377,8241,3282,6108,7253340260017,2FYR 3.7/16 H-1822218

SKF FYR 3.7/16 H-18轴承尺寸图纸

李工:138-8949-5179

刘工:135-0428-8802

地址:辽宁省大连经济技术开发区现代城3栋-13-13号

在线客服系统