李工:138-8949-5179 刘工:135-0428-8802
型号查询
轴承型号   常见搜索: 6305轴承 71913轴承 6008轴承 6003轴承 *轴承 617轴承
型号查询 X

轴承专区

Bearings Center

FYR 2.1/2 H-3轴承-SKF FYR 2.1/2 H-3轴承尺寸、图纸、价格

SKF FYR 2.1/2 H-3轴承

产品名称:FYR 2.1/2 H-3轴承 品牌:SKF
类型:SKF轴承 > 轴承单元 > 法兰滚子轴承单元
描述:FYR 2.1/2 H-3轴承是【SKF轴承 > 轴承单元 > 法兰滚子轴承单元】的型号,主要用在后轮、小型汽车前轮、变速器、差速器、振动筛、汽车转向销、水力发电机、精细化工机械、掘进机、泥炮等各大领域

 电话/微信:138-8949-5179

SKF FYR 2.1/2 H-3轴承详细信息

FYR 2.1/2 H-3轴承是【SKF轴承 > 轴承单元 > 法兰滚子轴承单元】的型号,主要用在后轮、小型汽车前轮、变速器、差速器、振动筛、汽车转向销、水力发电机、精细化工机械、掘进机、泥炮等各大领域。

SKF FYR 2.1/2 H-3轴承详细参数

带法兰的滚子轴承单元, 锁定套,用于英制的轴, locating units, radial shaft seals
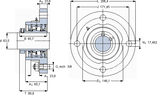
尺寸尺寸 [英寸]限制速度质量型号轴承,基本型号
动态静态
daA1JLTCC0
mmkNr/minkg--
63,565,1171,45206,488,914818318006,12FYR 2.1/2 H-322213

SKF FYR 2.1/2 H-3轴承尺寸图纸

李工:138-8949-5179

刘工:135-0428-8802

地址:辽宁省大连经济技术开发区现代城3栋-13-13号

在线客服系统