李工:138-8949-5179 刘工:135-0428-8802
型号查询
轴承型号   常见搜索: 688a轴承 6013轴承 6214轴承 6305轴承 6018轴承 6017轴承
型号查询 X

轴承专区

Bearings Center

HMV 18E轴承-SKF HMV 18E轴承尺寸、图纸、价格

SKF HMV 18E轴承

产品名称:HMV 18E轴承 品牌:SKF
类型:SKF轴承 > 滚动轴承 > 轴承附件
描述:HMV 18E轴承是【SKF轴承 > 滚动轴承 > 轴承附件】的型号,主要用在装卸搬运机械、高频马达、木工机械、前轮、各类产业用减速机、机床等的变速装置、矿山、精细化工机械、压路机、伽玛等各大领域

 电话/微信:138-8949-5179

SKF HMV 18E轴承详细信息

HMV 18E轴承是【SKF轴承 > 滚动轴承 > 轴承附件】的型号,主要用在装卸搬运机械、高频马达、木工机械、前轮、各类产业用减速机、机床等的变速装置、矿山、精细化工机械、压路机、伽玛等各大领域。

SKF HMV 18E轴承详细参数

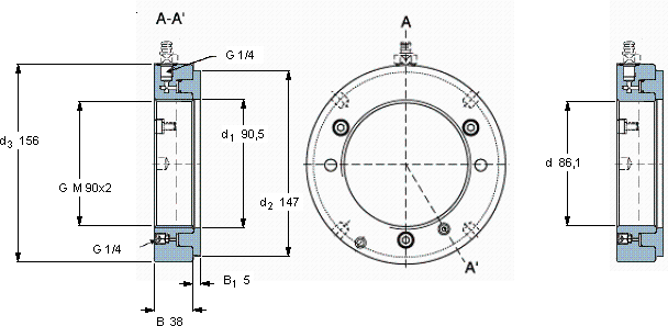
Hydraulic nuts, metric sizes
螺纹尺寸尺寸PermittedPiston area体积型号
piston
Gd1d2d3BB1displacement
mmmm (metric sizes)mmmmmm2 (metric sizes)kg-
in - threads/in (inch sizes)in2 (inch sizes)
90M 90x290,5147156385547004,00HMV 18EHMV 18E/A101

SKF HMV 18E轴承尺寸图纸

李工:138-8949-5179

刘工:135-0428-8802

地址:辽宁省大连经济技术开发区现代城3栋-13-13号

在线客服系统