李工:138-8949-5179 刘工:135-0428-8802
型号查询
轴承型号   常见搜索: 6205轴承 32313轴承 6016轴承 6005轴承 1轴承 6010轴承
型号查询 X

轴承专区

Bearings Center

6200/HR11QN轴承-SKF 6200/HR11QN轴承尺寸、图纸、价格

SKF 6200/HR11QN轴承

产品名称:6200/HR11QN轴承 品牌:SKF
类型:SKF轴承 > 滚动轴承 > 工程产品
描述:6200/HR11QN轴承是【SKF轴承 > 滚动轴承 > 工程产品】的型号,主要用在农业机械、燃料喷射泵、发电机、齿轮减速装置、木工机械、起重机吊钩、钢铁厂、烟草机械、强夯机、机场加油机等各大领域

 电话/微信:138-8949-5179

SKF 6200/HR11QN轴承详细信息

6200/HR11QN轴承是【SKF轴承 > 滚动轴承 > 工程产品】的型号,主要用在农业机械、燃料喷射泵、发电机、齿轮减速装置、木工机械、起重机吊钩、钢铁厂、烟草机械、强夯机、机场加油机等各大领域。

SKF 6200/HR11QN轴承详细参数

聚合物球轴承,单列球轴承, POM/POM/glass/PA66
主要数据尺寸负荷能力额定速度体积型号
dDB动态1)静态2)最大3)最大-
1) above 50 °C and/or above 20 %3) Consider load carrying
of max speed rating considercapability reduction according
2) above 50 °C consider
mmkNr/minkg-
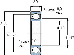
103090,160,1116500,00896200/HR11QN

SKF 6200/HR11QN轴承尺寸图纸

李工:138-8949-5179

刘工:135-0428-8802

地址:辽宁省大连经济技术开发区现代城3栋-13-13号

在线客服系统