轴承专区
Bearings Center
FYR 1.15/16 H-3轴承-SKF FYR 1.15/16 H-3轴承尺寸、图纸、价格
SKF FYR 1.15/16 H-3轴承
| 产品名称: | FYR 1.15/16 H-3轴承 | 品牌: | SKF |
|---|---|---|---|
| 类型: | SKF轴承 > 轴承单元 > 法兰滚子轴承单元 | ||
| 描述: | FYR 1.15/16 H-3轴承是【SKF轴承 > 轴承单元 > 法兰滚子轴承单元】的型号,主要用在家用电器、小型汽车前轮、挖土机履带轮、差速器、铁路车辆车轴、汽车转向销、塔吊、制鞋、土方机械、冶金起重机等各大领域 | ||
电话/微信:138-8949-5179
SKF FYR 1.15/16 H-3轴承详细信息
FYR 1.15/16 H-3轴承是【SKF轴承 > 轴承单元 > 法兰滚子轴承单元】的型号,主要用在家用电器、小型汽车前轮、挖土机履带轮、差速器、铁路车辆车轴、汽车转向销、塔吊、制鞋、土方机械、冶金起重机等各大领域。
SKF FYR 1.15/16 H-3轴承详细参数
| 带法兰的滚子轴承单元, 锁定套,用于英制的轴, locating units, radial shaft seals | |||||||||||
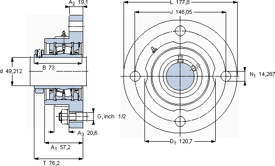
| 尺寸 | 尺寸 [英寸] | 限制速度 | 质量 | 型号 | 轴承,基本型号 | ||||||
| 动态 | 静态 | ||||||||||
| da | A1 | J | L | T | C | C0 | |||||
| mm | kN | r/min | kg | - | - | ||||||
| 49,212 | 57,2 | 146,05 | 177,8 | 76,2 | 84,5 | 100 | 2400 | 4,99 | FYR 1.15/16 H-3 | 22210 | |
SKF FYR 1.15/16 H-3轴承尺寸图纸

