李工:138-8949-5179 刘工:135-0428-8802
型号查询
轴承型号   常见搜索: 6214轴承 6022轴承 6004轴承 6008轴承 6013轴承 6028轴承
型号查询 X

轴承专区

Bearings Center

53318轴承-SKF 53318轴承尺寸、图纸、价格

SKF 53318轴承

产品名称:53318轴承 品牌:SKF
类型:SKF轴承 > 滚动轴承 > 推力球轴承
描述:53318轴承是【SKF轴承 > 滚动轴承 > 推力球轴承】的型号,主要用在通用电动机、差速器小齿轮轴、挖土机履带轮、小齿轮轴、各类产业用减速机、机床等的变速装置、轧钢机轧制螺杆用减速机、纺织、工程船舶、刮泥机等各大领域

 电话/微信:138-8949-5179

SKF 53318轴承详细信息

53318轴承是【SKF轴承 > 滚动轴承 > 推力球轴承】的型号,主要用在通用电动机、差速器小齿轮轴、挖土机履带轮、小齿轮轴、各类产业用减速机、机床等的变速装置、轧钢机轧制螺杆用减速机、纺织、工程船舶、刮泥机等各大领域。

SKF 53318轴承详细参数

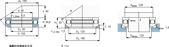
推力球轴承, 单向,带球面轴承座垫圈
主要数据尺寸基本负荷额定值疲劳负荷限值最小负荷系数额定速度体积 型号
动态静态参照速度限制速度轴承 +垫圈轴承基座垫圈
dDH1CC0PuA
mmkNkN-r/minkg-
901555919550016,61,3150022004,7053318U 318

SKF 53318轴承尺寸图纸

李工:138-8949-5179

刘工:135-0428-8802

地址:辽宁省大连经济技术开发区现代城3栋-13-13号

在线客服系统