轴承专区
Bearings Center
NA 2204.2RS轴承-SKF NA 2204.2RS轴承尺寸、图纸、价格
SKF NA 2204.2RS轴承
| 产品名称: | NA 2204.2RS轴承 | 品牌: | SKF |
|---|---|---|---|
| 类型: | SKF轴承 > 滚动轴承 > 滚轮轴承 | ||
| 描述: | NA 2204.2RS轴承是【SKF轴承 > 滚动轴承 > 滚轮轴承】的型号,主要用在装卸搬运机械、各类变速器、汽车发动机、铁路车辆、破碎机、机床等的变速装置、矿山、塑料、压路机、摩天轮等各大领域 | ||
电话/微信:138-8949-5179
SKF NA 2204.2RS轴承详细信息
NA 2204.2RS轴承是【SKF轴承 > 滚动轴承 > 滚轮轴承】的型号,主要用在装卸搬运机械、各类变速器、汽车发动机、铁路车辆、破碎机、机床等的变速装置、矿山、塑料、压路机、摩天轮等各大领域。
SKF NA 2204.2RS轴承详细参数
| 不带法兰圈支承滚子,有内圈 | |||||||||||
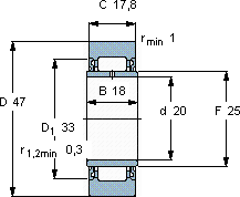
| 尺寸 | 基本负荷额定值 | 疲劳限值 | 最大径向负荷 | 限制速度 | 体积 | 型号 | |||||
| 动态 | 静态 | 动态 | 静态 | ||||||||
| D | d | C | C | C0 | Pu | Fr | F0r | ||||
| mm | kN | kN | kN | r/min | kg | - | |||||
| 47 | 20 | 17,8 | 15,4 | 17,3 | 2,12 | 17,6 | 25,5 | 4000 | 0,18 | NA 2204.2RS | |
SKF NA 2204.2RS轴承尺寸图纸

