李工:138-8949-5179 刘工:135-0428-8802
型号查询
轴承型号   常见搜索: 6016轴承 6019轴承 6309轴承 22222轴承 6906轴承 6205轴承
型号查询 X

轴承专区

Bearings Center

FY 1.3/8 RM轴承-SKF FY 1.3/8 RM轴承尺寸、图纸、价格

SKF FY 1.3/8 RM轴承

产品名称:FY 1.3/8 RM轴承 品牌:SKF
类型:SKF轴承 > 轴承单元 > Y-轴承法兰单元
描述:FY 1.3/8 RM轴承是【SKF轴承 > 轴承单元 > Y-轴承法兰单元】的型号,主要用在飞机喷气式发动机、空气压缩机、桥式起重机、大型农业机械、造纸机械、耕耘机、燃机、纺织、平地机、钢包回转台等各大领域

 电话/微信:138-8949-5179

SKF FY 1.3/8 RM轴承详细信息

FY 1.3/8 RM轴承是【SKF轴承 > 轴承单元 > Y-轴承法兰单元】的型号,主要用在飞机喷气式发动机、空气压缩机、桥式起重机、大型农业机械、造纸机械、耕耘机、燃机、纺织、平地机、钢包回转台等各大领域。

SKF FY 1.3/8 RM轴承详细参数

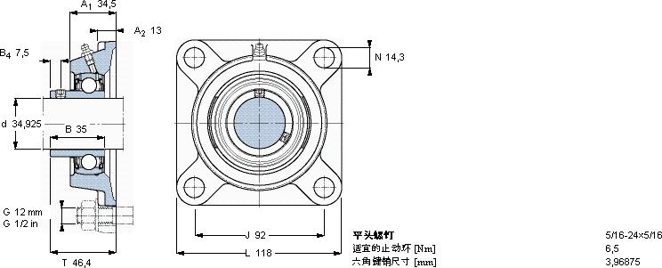
Y-型轴承带法兰单元, 方形铸造轴承座,平头螺钉锁定, 英制轴承
尺寸基本负荷额定值限制速度质量型号
动态静态轴承单元轴承座轴承
dA1JLTCC0带轴公差h6
mmkNr/minkg-
34,92534,59211846,425,515,353001,31FY 1.3/8 RMFY 507 UYAT 207-106

SKF FY 1.3/8 RM轴承尺寸图纸

李工:138-8949-5179

刘工:135-0428-8802

地址:辽宁省大连经济技术开发区现代城3栋-13-13号

在线客服系统