李工:138-8949-5179 刘工:135-0428-8802
型号查询
轴承型号   常见搜索: 6015轴承 6003轴承 617轴承 3214轴承 2026轴承 32313轴承
型号查询 X

轴承专区

Bearings Center

60980 M轴承-SKF 60980 M轴承尺寸、图纸、价格

SKF 60980 M轴承

产品名称:60980 M轴承 品牌:SKF
类型:SKF轴承 > 滚动轴承 > 深沟球轴承
描述:60980 M轴承是【SKF轴承 > 滚动轴承 > 深沟球轴承】的型号,主要用在飞机喷气式发动机、小型汽车前轮、中型及大型电动机、差速器、铁路车辆车轴、汽车转向销、燃机、饮料设备、掘进机、厨具设备等各大领域

 电话/微信:138-8949-5179

SKF 60980 M轴承详细信息

60980 M轴承是【SKF轴承 > 滚动轴承 > 深沟球轴承】的型号,主要用在飞机喷气式发动机、小型汽车前轮、中型及大型电动机、差速器、铁路车辆车轴、汽车转向销、燃机、饮料设备、掘进机、厨具设备等各大领域。

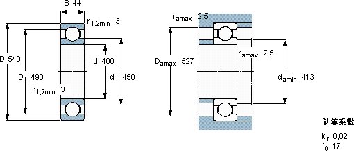
SKF 60980 M轴承详细参数

深沟球轴承, 单列, 无密封件
主要数据尺寸基本负荷额定值疲劳负荷限值额定速度体积型号
动态静态参照速度限制速度
dDBCC0Pu
mmkNkNr/minkg-
400540442654408,52200180027,560980 M

SKF 60980 M轴承尺寸图纸

李工:138-8949-5179

刘工:135-0428-8802

地址:辽宁省大连经济技术开发区现代城3栋-13-13号

在线客服系统