轴承专区
Bearings Center
FT 5/8 FM轴承-SKF FT 5/8 FM轴承尺寸、图纸、价格
SKF FT 5/8 FM轴承
| 产品名称: | FT 5/8 FM轴承 | 品牌: | SKF |
|---|---|---|---|
| 类型: | SKF轴承 > 轴承单元 > Y-轴承法兰单元 | ||
| 描述: | FT 5/8 FM轴承是【SKF轴承 > 轴承单元 > Y-轴承法兰单元】的型号,主要用在农业机械、燃料喷射泵、泵、齿轮减速装置、造纸机械、起重机吊钩、钢铁厂、烟草机械、强夯机、机场加油机等各大领域 | ||
电话/微信:138-8949-5179
SKF FT 5/8 FM轴承详细信息
FT 5/8 FM轴承是【SKF轴承 > 轴承单元 > Y-轴承法兰单元】的型号,主要用在农业机械、燃料喷射泵、泵、齿轮减速装置、造纸机械、起重机吊钩、钢铁厂、烟草机械、强夯机、机场加油机等各大领域。
SKF FT 5/8 FM轴承详细参数
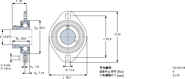
| Y-型轴承带法兰单元, 冲压钢轴承座,偏心锁定轴环 | ||||||||||||
| 尺寸 | 基本负荷额定值 | 可允许住 | 质量 | 轴承单元 | 定购代号 | |||||||
| 动态 | 静态 | 房装载 | 轴承 | 轴承座 | 轴承 | |||||||
| d | Da | H | J | T | C | C0 | 径向 | 单元 | ||||
| mm | kN | kN | kg | - | ||||||||
| 15,875 | 49,3 | 81 | 63,5 | 24 | 9,56 | 4,75 | - | 0,21 | FT 5/8 FM | 40M-2 | YET 203-010 | |
SKF FT 5/8 FM轴承尺寸图纸

