轴承专区
Bearings Center
1312 EKTN9 + H 312轴承-SKF 1312 EKTN9 + H 312轴承尺寸、图纸、价格
SKF 1312 EKTN9 + H 312轴承
| 产品名称: | 1312 EKTN9 + H 312轴承 | 品牌: | SKF |
|---|---|---|---|
| 类型: | SKF轴承 > 滚动轴承 > 自调心球轴承 | ||
| 描述: | 1312 EKTN9 + H 312轴承是【SKF轴承 > 滚动轴承 > 自调心球轴承】的型号,主要用在家用电器、空气压缩机、桥式起重机、大型农业机械、造纸机械、汽车转向销、塔吊、啤酒、土方机械、雷达等各大领域 | ||
电话/微信:138-8949-5179
SKF 1312 EKTN9 + H 312轴承详细信息
1312 EKTN9 + H 312轴承是【SKF轴承 > 滚动轴承 > 自调心球轴承】的型号,主要用在家用电器、空气压缩机、桥式起重机、大型农业机械、造纸机械、汽车转向销、塔吊、啤酒、土方机械、雷达等各大领域。
SKF 1312 EKTN9 + H 312轴承详细参数
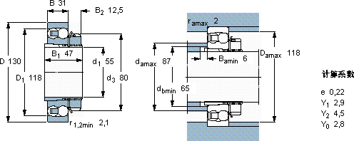
| 自调心球轴承, 带紧定套, 无密封件 | ||||||||||
| 主要数据尺寸 | 基本负荷额定值 | 疲劳负荷限值 | 额定速度 | 体积 | 型号 | |||||
| 动态 | 静态 | 参照速度 | 限制速度 | 轴承 + 紧定套 | ||||||
| d1 | D | B | C | C0 | Pu | |||||
| mm | kN | kN | r/min | kg | - | |||||
| 55 | 130 | 31 | 58,5 | 22 | 1,12 | 9000 | 6300 | 2,15 | 1312 EKTN9 + H 312 | |
SKF 1312 EKTN9 + H 312轴承尺寸图纸

