轴承专区
Bearings Center
21306 CCK + H 306轴承-SKF 21306 CCK + H 306轴承尺寸、图纸、价格
SKF 21306 CCK + H 306轴承
| 产品名称: | 21306 CCK + H 306轴承 | 品牌: | SKF |
|---|---|---|---|
| 类型: | SKF轴承 > 滚动轴承 > 球面滚子轴承 | ||
| 描述: | 21306 CCK + H 306轴承是【SKF轴承 > 滚动轴承 > 球面滚子轴承】的型号,主要用在内燃机、空气压缩机、泵、大型农业机械、造纸机械、汽车转向销、挤压机、啤酒、掘进机、数控设备等各大领域 | ||
电话/微信:138-8949-5179
SKF 21306 CCK + H 306轴承详细信息
21306 CCK + H 306轴承是【SKF轴承 > 滚动轴承 > 球面滚子轴承】的型号,主要用在内燃机、空气压缩机、泵、大型农业机械、造纸机械、汽车转向销、挤压机、啤酒、掘进机、数控设备等各大领域。
SKF 21306 CCK + H 306轴承详细参数
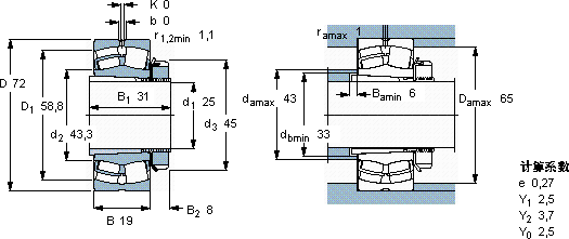
| 球面滚子轴承, 带紧定套的 | ||||||||||
| 主要数据尺寸 | 基本负荷额定值 | 疲劳负荷限值 | 额定速度 | 体积 | 型号 | |||||
| 动态 | 静态 | 参照速度 | 限制速度 | 轴承 + 紧定套 | ||||||
| d1 | D | B | C | C0 | Pu | |||||
| mm | kN | kN | r/min | kg | - | |||||
| 25 | 72 | 19 | 55,2 | 61 | 6,8 | 7500 | 10000 | 0,51 | 21306 CCK + H 306 | |
SKF 21306 CCK + H 306轴承尺寸图纸

