轴承专区
Bearings Center
EE 3 TN9轴承-SKF EE 3 TN9轴承尺寸、图纸、价格
SKF EE 3 TN9轴承
| 产品名称: | EE 3 TN9轴承 | 品牌: | SKF |
|---|---|---|---|
| 类型: | SKF轴承 > 滚动轴承 > 深沟球轴承 | ||
| 描述: | EE 3 TN9轴承是【SKF轴承 > 滚动轴承 > 深沟球轴承】的型号,主要用在仪表、高频马达、中型及大型电动机、前轮、轧钢机齿轮箱座、机床等的变速装置、碾煤机、制鞋、压路机、厨具设备等各大领域 | ||
电话/微信:138-8949-5179
SKF EE 3 TN9轴承详细信息
EE 3 TN9轴承是【SKF轴承 > 滚动轴承 > 深沟球轴承】的型号,主要用在仪表、高频马达、中型及大型电动机、前轮、轧钢机齿轮箱座、机床等的变速装置、碾煤机、制鞋、压路机、厨具设备等各大领域。
SKF EE 3 TN9轴承详细参数
| 深沟球轴承, 单列, 无密封件,带英制尺寸 | |||||||||||
| 主要数据尺寸 | 基本负荷额定值 | 疲劳负荷限值 | 额定速度 | 体积 | 型号 | ||||||
| 动态 | 静态 | 参照速度 | 限制速度 | ||||||||
| d | D | B | C | C0 | Pu | ||||||
| mm | kN | kN | r/min | kg | - | ||||||
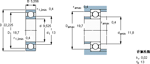
| 9,525 | 22,225 | 5,556 | 3,32 | 1,4 | 0,06 | 60000 | 43000 | 0,009 | EE 3 TN9 | 仅对售后市场 | |
SKF EE 3 TN9轴承尺寸图纸

