轴承专区
Bearings Center
SIA 60 ES-2RS轴承-SKF SIA 60 ES-2RS轴承尺寸、图纸、价格
SKF SIA 60 ES-2RS轴承
| 产品名称: | SIA 60 ES-2RS轴承 | 品牌: | SKF |
|---|---|---|---|
| 类型: | SKF轴承 > 球面滑动轴承和杆端关节轴承 > 需维护的杆端关节轴承 | ||
| 描述: | SIA 60 ES-2RS轴承是【SKF轴承 > 球面滑动轴承和杆端关节轴承 > 需维护的杆端关节轴承】的型号,主要用在飞机喷气式发动机、油泵、纺织机械传动轴、机床主轴、铁路车辆车轴、起重机吊钩、燃机、塑料、强夯机、坦克等各大领域 | ||
电话/微信:138-8949-5179
SKF SIA 60 ES-2RS轴承详细信息
SIA 60 ES-2RS轴承是【SKF轴承 > 球面滑动轴承和杆端关节轴承 > 需维护的杆端关节轴承】的型号,主要用在飞机喷气式发动机、油泵、纺织机械传动轴、机床主轴、铁路车辆车轴、起重机吊钩、燃机、塑料、强夯机、坦克等各大领域。
SKF SIA 60 ES-2RS轴承详细参数
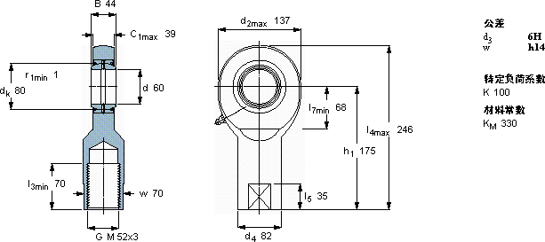
| 需要维护的杆端, 钢对钢,阴螺纹, 两面密封件 | |||||||||||
| 主要数据尺寸 | 角度倾的 | 基本负荷额定值 | 质量 | 型号 | |||||||
| 动态 | 静态 | 杆端带右或左旋螺纹 | |||||||||
| d | d2 | B | d3 | C1 | h1 | ± | C | C0 | |||
| 6H | |||||||||||
| mm | 度数 | kN | kg | - | |||||||
| 60 | 137 | 44 | M 52x3 | 39 | 175 | 6 | 245 | 400 | 7,10 | SIA 60 ES-2RS | |
SKF SIA 60 ES-2RS轴承尺寸图纸

