李工:138-8949-5179 刘工:135-0428-8802
型号查询
轴承型号   常见搜索: 6205轴承 6028轴承 6026轴承 6214轴承 6909轴承 6003轴承
型号查询 X

轴承专区

Bearings Center

21313 EK + AH 313 G *轴承-SKF 21313 EK + AH 313 G *轴承尺寸、图纸、价格

SKF 21313 EK + AH 313 G *轴承

产品名称:21313 EK + AH 313 G *轴承 品牌:SKF
类型:SKF轴承 > 滚动轴承 > 球面滚子轴承
描述:21313 EK + AH 313 G *轴承是【SKF轴承 > 滚动轴承 > 球面滚子轴承】的型号,主要用在装卸搬运机械、罗茨鼓风机、纺织机械传动轴、建筑机械、印刷机械、制铁制钢机械、矿山、塑料、起重机械、伽玛等各大领域

 电话/微信:138-8949-5179

SKF 21313 EK + AH 313 G *轴承详细信息

21313 EK + AH 313 G *轴承是【SKF轴承 > 滚动轴承 > 球面滚子轴承】的型号,主要用在装卸搬运机械、罗茨鼓风机、纺织机械传动轴、建筑机械、印刷机械、制铁制钢机械、矿山、塑料、起重机械、伽玛等各大领域。

SKF 21313 EK + AH 313 G *轴承详细参数

球面滚子轴承, 带退卸套的
主要数据尺寸基本负荷额定值疲劳负荷限值额定速度体积型号
动态静态参照速度限制速度轴承 +退卸套
d1DBCC0Pu
* - SKF Explorer 轴承
mmkNkNr/minkg-
601403323627029430060002,7521313 EK + AH 313 G *

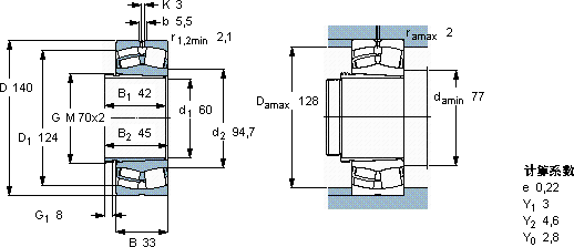
SKF 21313 EK + AH 313 G *轴承尺寸图纸

李工:138-8949-5179

刘工:135-0428-8802

地址:辽宁省大连经济技术开发区现代城3栋-13-13号

在线客服系统