李工:138-8949-5179 刘工:135-0428-8802
型号查询
轴承型号   常见搜索: 6012轴承 6024轴承 6007轴承 2025轴承 6909轴承 688a轴承
型号查询 X

轴承专区

Bearings Center

6304-2Z/VA201轴承-SKF 6304-2Z/VA201轴承尺寸、图纸、价格

SKF 6304-2Z/VA201轴承

产品名称:6304-2Z/VA201轴承 品牌:SKF
类型:SKF轴承 > 滚动轴承 > 深沟球轴承
描述:6304-2Z/VA201轴承是【SKF轴承 > 滚动轴承 > 深沟球轴承】的型号,主要用在建筑机械、高频马达、木工机械、前轮、印刷机械、机床等的变速装置、成形机、饮料设备、压路机、泥炮等各大领域

 电话/微信:138-8949-5179

SKF 6304-2Z/VA201轴承详细信息

6304-2Z/VA201轴承是【SKF轴承 > 滚动轴承 > 深沟球轴承】的型号,主要用在建筑机械、高频马达、木工机械、前轮、印刷机械、机床等的变速装置、成形机、饮料设备、压路机、泥炮等各大领域。

SKF 6304-2Z/VA201轴承详细参数

深沟球轴承, 用于高温的深沟球轴承, 两面防尘罩
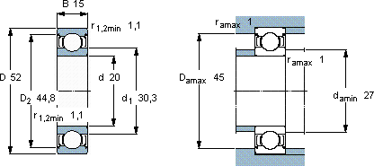
主要数据尺寸基本负荷额定值径向内部游隙体积型号
静态
dDBC0最小最大
mmkNμmkg-
2052157,81121920,136304-2Z/VA201

SKF 6304-2Z/VA201轴承尺寸图纸

李工:138-8949-5179

刘工:135-0428-8802

地址:辽宁省大连经济技术开发区现代城3栋-13-13号

在线客服系统