李工:138-8949-5179 刘工:135-0428-8802
型号查询
轴承型号   常见搜索: 6005轴承 6205轴承 6001轴承 6022轴承 6014轴承 *轴承
型号查询 X

轴承专区

Bearings Center

EE 2 TN9轴承-SKF EE 2 TN9轴承尺寸、图纸、价格

SKF EE 2 TN9轴承

产品名称:EE 2 TN9轴承 品牌:SKF
类型:SKF轴承 > 滚动轴承 > 深沟球轴承
描述:EE 2 TN9轴承是【SKF轴承 > 滚动轴承 > 深沟球轴承】的型号,主要用在铁路车辆、油泵、木工机械、机床主轴、振动筛、石油钻机、冶炼厂、烟草机械、解体机、机械手等各大领域

 电话/微信:138-8949-5179

SKF EE 2 TN9轴承详细信息

EE 2 TN9轴承是【SKF轴承 > 滚动轴承 > 深沟球轴承】的型号,主要用在铁路车辆、油泵、木工机械、机床主轴、振动筛、石油钻机、冶炼厂、烟草机械、解体机、机械手等各大领域。

SKF EE 2 TN9轴承详细参数

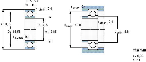
深沟球轴承, 单列, 无密封件,带英制尺寸
主要数据尺寸基本负荷额定值疲劳负荷限值额定速度体积型号
动态静态参照速度限制速度
dDBCC0Pu
mmkNkNr/minkg-
6,3519,055,5562,811,080,04570000500000,0075EE 2 TN9仅对售后市场

SKF EE 2 TN9轴承尺寸图纸

李工:138-8949-5179

刘工:135-0428-8802

地址:辽宁省大连经济技术开发区现代城3栋-13-13号

在线客服系统